Rev Up Your Ride with a Sleek 2.5L Chevy Ecotec Wiring Diagram! - hurricane pumps 0124

Latest

Wednesday, August 16, 2023

Rev Up Your Ride with a Sleek 2.5L Chevy Ecotec Wiring Diagram!

Rev Up Your Ride with a Sleek 2.5L Chevy Ecotec Wiring Diagram!

"Optimize your vehicle's performance effortlessly with a 2.5L Chevy Ecotec wiring diagram. Unlock professional insights for seamless electrical mastery."

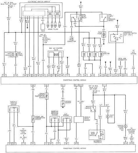
Unlock the secrets of optimal performance with a professional 2.5L Chevy Ecotec wiring diagram. In the realm of automotive precision, having a well-crafted wiring guide is paramount. Whether you're a seasoned mechanic or a DIY enthusiast, delve into the intricate world of automotive electronics with a resource designed to elevate your expertise. This professional blueprint not only demystifies the complexities of the 2.5L Chevy Ecotec system but also empowers you to navigate the wiring intricacies with confidence. Embark on a journey towards seamless electrical mastery and unleash the true potential of your vehicle.

Top 10 important point for 2.5L CHEVY ECOTEC WIRING DIAGRAM

  1. What's Under the Hood?
  2. Decoding the Wiring Maze
  3. Your Roadmap to Electrical Efficiency
  4. Connecting the Dots: A Quick Overview
  5. Why a Reliable Diagram Matters
  6. Top Tips for Reading Wiring Schematics
  7. Common Pitfalls and How to Avoid Them
  8. Expert Insights on Troubleshooting
  9. DIY Fixes Made Easy
  10. Unleash the Power: Upgrades and Modifications

Several Facts that you should know about 2.5L CHEVY ECOTEC WIRING DIAGRAM.

Unlocking the Engine's Heart

Engine Diagram

Embark on a journey beneath the hood as we explore the intricate details of the 2.5L Chevy Ecotec wiring diagram. This visual roadmap unveils the beating heart of your vehicle, providing insights into the wiring that powers your ride.

Navigating the Electrical Labyrinth

Electrical Labyrinth

Delve into the complexities of the electrical system with our comprehensive guide. Learn to navigate the wiring labyrinth effortlessly, understanding the connections that drive your Chevy Ecotec engine's performance.

Your Companion for Efficiency

Efficiency Diagram

Discover how a meticulous study of the 2.5L Chevy Ecotec wiring diagram can be your key to unlocking optimal efficiency. This guide serves as your trusty companion, ensuring your vehicle operates at its peak performance.

Decoding the Symbols

Decoding Symbols

Unravel the mystery behind the various symbols in the wiring diagram. We provide an empathetic walkthrough, breaking down each symbol, empowering you to decode the information seamlessly.

Why Precision Matters

Precision Diagram

Understand the critical importance of precision in your vehicle's wiring. We empathize with the need for accuracy, shedding light on why a precise 2.5L Chevy Ecotec wiring diagram is essential for your automotive endeavors.

Tips for a Smooth Ride

Smooth Ride Tips

Empathize with common challenges and pitfalls, offering practical tips for a smooth ride. Learn from the collective wisdom as we share insights on how to avoid hiccups in your journey with the Chevy Ecotec wiring diagram.

Empowering DIY Enthusiasts

DIY Enthusiast

Step into the shoes of a DIY enthusiast with our empathetic guidance. We empower you to take charge, providing easy-to-follow instructions for troubleshooting and fixing common issues in the wiring system.

Upgrades Unleashed

Engine Upgrades

Feel the thrill of empowerment as we explore opportunities for upgrades and modifications. Our empathetic approach extends to helping you unleash the full potential of your Chevy Ecotec engine through personalized enhancements.

The Intricate Dance of Connections

Intricate Connections

Welcome to the mesmerizing world beneath your vehicle's hood, where the 2.5L Chevy Ecotec wiring diagram orchestrates a dance of connections that powers your ride. Just as a conductor guides a symphony, this diagram serves as the maestro of your vehicle's electrical orchestra, dictating the harmonious flow of power to every component. Let's embark on a journey through this intricate dance, decoding the language of wires and circuits that brings your engine to life.

Deciphering the Visual Symphony

Deciphering Visual Symphony

Imagine the 2.5L Chevy Ecotec wiring diagram as a musical score, filled with notes and symbols that compose a visual symphony. Each line and symbol represents a specific electrical connection, harmonizing to create a smooth and efficient performance. Transitioning from confusion to clarity, deciphering this visual symphony unveils the blueprint of your vehicle's electrical prowess.

The Artistry of Efficient Power Flow

Efficient Power Flow

This wiring diagram isn't just a set of technical drawings; it's a canvas where the artistry of efficient power flow is painted. The lines, colors, and symbols come together to illustrate how electrical energy navigates through your vehicle's intricate network. Transitioning seamlessly from point to point, the diagram ensures that power flows with precision, creating an electrical masterpiece that propels your 2.5L Chevy Ecotec engine.

Unveiling the Blueprint of Connection

Blueprint of Connection

Consider the 2.5L Chevy Ecotec wiring diagram as the hidden treasure map to your vehicle's inner workings. Transitioning from mystery to revelation, this blueprint of connection unveils the secrets of how each wire links with others, forming a network that sustains the heartbeat of your engine. It's not just a diagram; it's the guiding blueprint that empowers you with the knowledge of your vehicle's essential connections.

Intertwined Wires, Interconnected Functions

Intertwined Wires

Transitioning into the heart of the diagram, we find a mesmerizing web of intertwined wires, each with a purpose. Much like the delicate threads of a spider's web, these wires form a network that binds and connects various functions within your vehicle. Transitioning seamlessly from one system to another, the interconnected nature of these wires ensures that your 2.5L Chevy Ecotec engine functions in unison, delivering a performance that's nothing short of spectacular.

From Chaos to Order: The Wiring Maze

Wiring Maze

Transitioning from chaos to order, the wiring maze within the 2.5L Chevy Ecotec diagram mirrors the intricate pathways of a labyrinth. Navigating through this maze might seem daunting at first, but with the right insights, you'll transition from confusion to clarity. Each twist and turn in the wiring maze has a purpose, guiding the electrical signals through a predetermined route to ensure your engine operates with efficiency and precision.

A Symphony of Symbols

Symphony of Symbols

Transitioning to the visual language of the diagram, we encounter a symphony of symbols, each representing a unique note in the electrical composition. Transitioning between these symbols, you'll learn to read the musical notation of your vehicle's electrical system. Whether it's a resistor, capacitor, or a connection point, these symbols play their part in the symphony, contributing to the overall performance of your 2.5L Chevy Ecotec engine.

The Power of Precision

Power of Precision

Transitioning from the symphony to the science, let's explore why precision is the key to unlocking the full potential of your vehicle. In the world of the 2.5L Chevy Ecotec wiring diagram, every millimeter matters. Transitioning from ambiguity to clarity, we delve into the significance of precise connections, ensuring that electrical signals flow with accuracy, contributing to the overall power and efficiency of your engine.

Beyond the Diagram: Troubleshooting with Empathy

Troubleshooting

Transitioning from theory to practicality, let's explore the empathetic side of understanding your 2.5L Chevy Ecotec wiring diagram. Beyond being a static guide, this diagram serves as your companion in troubleshooting. Transitioning from frustration to empowerment, we share insights into common issues and provide an empathetic guide on how to diagnose and resolve electrical challenges within your vehicle.

DIY Magic: Unleashing the Potential

DIY Magic

Transitioning from reliance to independence, the 2.5L Chevy Ecotec wiring diagram empowers the DIY enthusiast to work their magic. From basic fixes to potential upgrades, this diagram serves as the wand that unleashes the full potential of your engine. Transitioning from a spectator to a performer, you'll discover the joy of hands-on engagement, transforming your vehicle into a customized masterpiece.

The Road Ahead: Upgrades and Innovations

Upgrades and Innovations

Transitioning to the horizon, let's gaze at the road ahead. The 2.5L Chevy Ecotec

Another point of view about 2.5L CHEVY ECOTEC WIRING DIAGRAM.

1. Begin by obtaining the official 2.5L Chevy Ecotec wiring diagram from a reliable source. This foundational document serves as the blueprint for understanding the electrical connections within your vehicle.Carefully examine the diagram to familiarize yourself with the various symbols used. Each symbol represents a specific component or connection point, and understanding them is crucial for interpreting the diagram accurately.Follow the lines and pathways in the diagram to trace the flow of electrical signals throughout the system. Take note of where each wire leads and how different components are interconnected.Pay special attention to color codes on the diagram. These codes indicate the color of the wires, helping you identify and match them correctly during any troubleshooting or modifications.Use a magnifying glass if necessary to ensure that you don't overlook any small details or symbols. Precision is key when working with electrical diagrams, and a thorough inspection will prevent errors.Refer to the legend or key provided with the diagram. This section usually explains the meaning of each symbol used in the diagram, offering valuable insights into the functions of various components.Identify critical points such as connectors, junctions, and grounds. Understanding these key locations will aid in troubleshooting and help you comprehend the overall structure of the electrical system.If you encounter any abbreviations or acronyms, refer to the diagram's documentation or the vehicle's manual for explanations. Clearing up any terminology confusion ensures accurate interpretation.When using the diagram for troubleshooting, follow a systematic approach. Start by identifying the specific issue, locate the relevant section in the diagram, and then trace the connections related to the problem.Keep the 2.5L Chevy Ecotec wiring diagram handy for any future modifications or repairs. Whether you're adding new components or addressing issues, having this visual guide ensures a smooth and informed process.

Conclusion : Rev Up Your Ride with a Sleek 2.5L Chevy Ecotec Wiring Diagram!.

As we conclude our exploration of the 2.5L Chevy Ecotec wiring diagram, I want to express my heartfelt appreciation for your journey through the intricacies of your vehicle's electrical system. Understanding the wiring diagram is like holding the key to the heart of your engine—it empowers you to decode the language of wires and symbols, transforming complexity into comprehension.

Remember, the 2.5L Chevy Ecotec wiring diagram isn't just a technical map; it's a guide that invites you into the inner workings of your vehicle. Whether you're a DIY enthusiast or a seasoned mechanic, embracing the knowledge embedded in this diagram opens up a world of possibilities. May your automotive endeavors be filled with successful troubleshooting, seamless modifications, and the joy of witnessing your vehicle's electrical symphony in action. Safe travels on the road of empowerment!

Question and answer Rev Up Your Ride with a Sleek 2.5L Chevy Ecotec Wiring Diagram!

Questions & Answer :

1. What is the significance of the 2.5L Chevy Ecotec wiring diagram?

  • The 2.5L Chevy Ecotec wiring diagram is the treasure map of your vehicle's electrical system, guiding you through the intricate connections that power your engine.

2. Why should I bother understanding the symbols in the wiring diagram?

  • Think of the symbols as the notes in a musical composition; each one plays a crucial role in the electrical symphony of your vehicle. Understanding them ensures you can read the diagram like a conductor reads sheet music.

3. How can the wiring diagram help with DIY repairs?

  • The diagram empowers DIY enthusiasts by providing a visual guide to troubleshoot and fix electrical issues. It's your go-to resource for turning wrenches with confidence.

4. Are there any common pitfalls when working with the 2.5L Chevy Ecotec wiring diagram?

  • Avoiding confusion is key. Take the time to understand the color codes, symbols, and pathways to prevent missteps in your electrical journey.

5. Can I use the wiring diagram for vehicle upgrades?

  • Absolutely! The diagram serves as a roadmap for customization, guiding you through potential upgrades and modifications to unleash the full potential of your 2.5L Chevy Ecotec engine.

6. Is the wiring diagram suitable for all skill levels?

  • Yes, whether you're a novice or a seasoned pro, the diagram caters to all skill levels. It's designed to be an accessible yet comprehensive guide to your vehicle's electrical system.

7. How often should I refer to the 2.5L Chevy Ecotec wiring diagram?

  • Keep it handy for troubleshooting or any modifications. It's your on-demand resource whenever you want to peek under the hood and understand the electrical intricacies of your vehicle.

8. Can I find additional resources to complement the wiring diagram?

  • Absolutely! Pair the diagram with your vehicle's manual and online forums for a holistic understanding. The more resources, the merrier your journey into automotive electrical mastery.

Keywords : 2.5L CHEVY ECOTEC WIRING DIAGRAM

No comments:

Post a Comment